Voici comment j'ai installé des feux de détresse dans mon Amazon P121.
C'est simple et il n'y a pas besoin d'étre électricien-mécanicien, la seule qualité requise est la souplesse. Intervenir sous le tableau de bord est un exercice de contorsionniste. Cela représente une journée de travail.
Outils: un cuter, une pince multiprise, pince coupante, tournevis, un testeur, une perceuse. Un bon éclairage sous le tableau de bord !
|
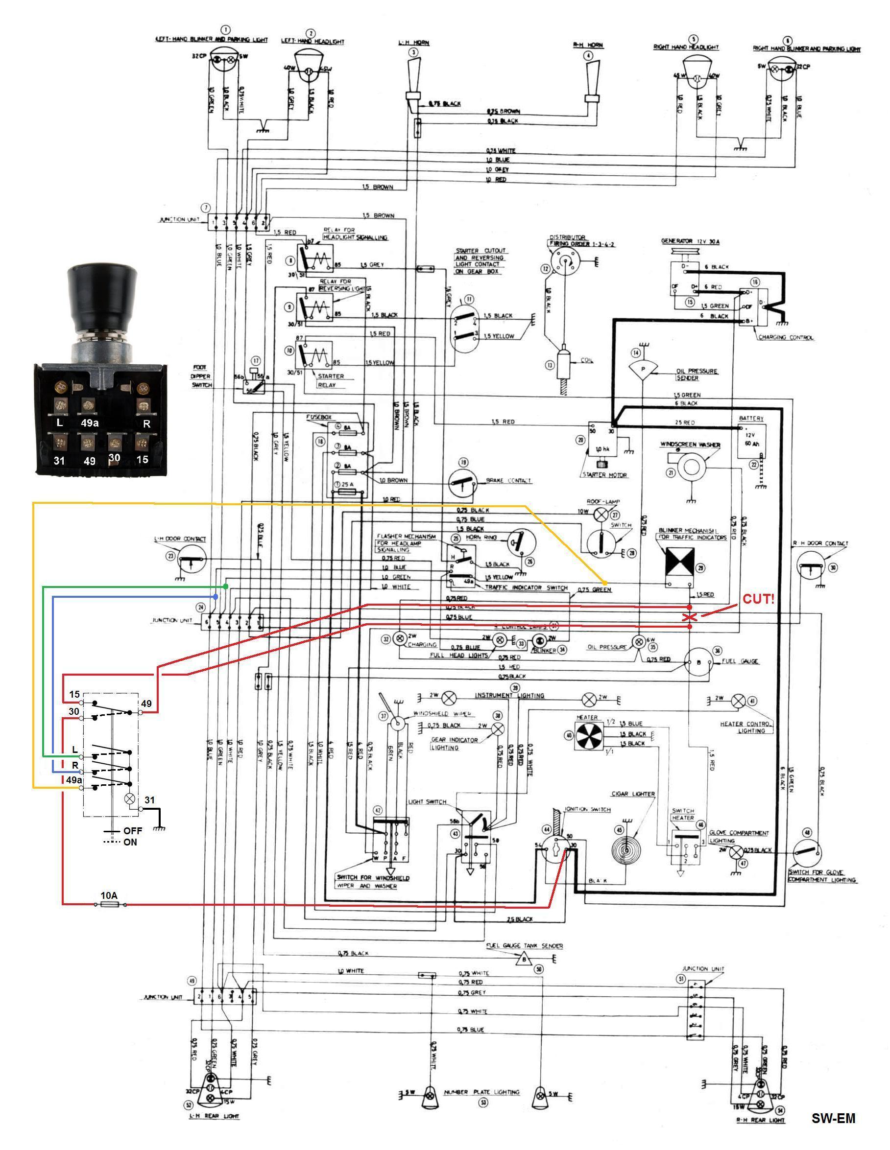
Toutes les infos proviennent de ce site: Cliquez pour accéder à sw-em.com/emergflash.htm Merci beaucoup Ron ! Tack Ron !
|
Matériel utiliséL'interrupteur est un Nesan, on met le contact en tirant la manette, comme ceux de l'Amazon.
|
 |
Il se trouve ici: www.classicautoelec.com
10 cosses plates femelle isolées 6,3mm pour fil électrique de 0,5 à 1,5 mm2.
|
 |
|
10 connecteurs bout à bout pour fil électrique de 0,5 à 1,5 mm2.
|
 |
|
De la gaine thermorétractable ou du ruban adhésif isolant. Des colliers attache câbles. Un porte fusible avec un fusible 10 Ampéres.
|
 |
|
J'ai dépecé un rallonge électrique pour récupérer 1,5 métre de fil multibrin de 1 mm carré rouge, bleu , vert et jaune. ça permet de respecter vaguement le code couleur du schéma électrique.
|
 |
|
Télécharger le plan
|
- Réaliser des connexions -Sertir une cosse:A l'aide d'un cuter entailler la gaine plastique à 5 mm de l'extrémité du fil électrique . A la main ou à la pince, retirer cette partie. Entortiller les brins sur eux même pour faire une épissure. Glisser la dans le tube de la cosse et l'écraser fortement. Tirer sur le fil pour vérifier l'assemblage.
|
|
|
Faire une dérivation :je sectionne le fil d'origine (bleu) et mets en place un connecteur bout à bout.
|
 |
|
|
 |
|
|
 |
|
Enficher les deux fils est difficile à réaliser car les deux câbles sont parfois trop gros pour la gaine. La prochaine fois je ferai une soudure protégée avec de la gaine thermorétractable.
|
- Principe -Les clignotants sont alimentés par une minuterie qui coupe le courant à intervalles réguliers. Lorsque la commande de clignotant est abaissé, elle envoie du courant à la minuterie, récupére le courant rupté et le dirige vers le clignotant gauche.
L'interrupteur de warning fait de méme en alimentant les deux circuits de clignotants.
|
- Emplacement -Le tableau de bord comporte un emplacement libre qui accueillera le commutateur de feux de détresse. Il est obstrué par un cache métallique.
|
 |
|
Derriére le cache il y a l'ancien contacteur à clé. En le poussant vers le volant ça libére un espace suffisant pour l'interrupteur de détresse à condition de diriger les bornes à l'opposé, vers l'allume cigare.
|
A l'arriére du tableau de bord le cache est maintenu en place par des pattes qu'il faut relever en glissant un tournevis. Le cache retiré :
|
 |
|
L'interrupteur se démonte ainsi: la tige et une bague écrou.
|
 |
|
Dans le tableau, le logement est trop large pour l'interrupteur. Le cache fera la jonction. Je le perce au diamétre de la bague écrou de l'interrupteur.
|
 |
|
|
 |
- Préparation des cébles -La minuterie se trouve sous le tableau de bord, à gauche du volant. C'est une capsule en aluminium marquée FLASHER . Il suffit de tirer pour la déloger.
|
 |
|
La distance entre le logement et l'emplacement du contacteur de détresse est de 30 cm é vol d'oiseau. J'ajoute 10 cm pour se frayer un chemin dans la jungle du tableau de bord.
|
|
Je découpe des fils de 40 cm avec 1 fiche femelle à un bout, l'autre est simplement dénudé: 3 fils marrons,2 fils jaunes et verts et 1 fil bleu.
|
 |
|
J'installe le porte fusible à 10 cm de la cosse d'un fil marron.
|
- Céblage de la minuterie -Je débranche la cosse + de la batterie.
La minuterie reçoit du courant lorsque la clé de contact est tournée. Mais Les feux de détresse doivent étre accessible en permanence, sans contact comme le sont les feux de stationnement. La commande des feux est toute proche et va me fournir le courant.
|
 |
Derriére le bouton tirette de commande de feux se trouve un bornier circulaire. L'arrivée du courant est sur la borne à 13 h quand on regarde sous le tableau de bord. Il a deux fil noirs sur cette cosse. J'ai retiré 2 fiches pour l'apercevoir.
|
 |
|
Une fois cette cosse retirée, j'installe sur un des deux fils noirs. une dérivation avec le fil marron doté du porte fusible. Je le connecte à la borne 30 de l'interrupteur.
|
 |
|
Sur la minuterie, l'arrivé du courant se fait par le fil rouge. Le jaune c'est le courant rupté qui va aux clignotants.
|
 |
|
|
 |
|
Je sectionne le rouge au milieu de la courbe et je raccorde 2 fils marrons. Celui de la minuterie est raccordé à la borne 15 de l'interrupteur. L'autre ( celui enroulé) est relié à la borne 49.
|
 |
|
Sur le fil jaune j'installe un fil jaune et vert en dérivation.
|
 |
|
Voici le résultat :
|
 |
- Câblage des clignotants -Le fil jaune de la minuterie rejoint deux fils , le tout inséré dans une gaine. Ces deux fils vont aux clignotants, le vert pour le gauche, le bleu pour le droit. J'installe une dérivation sur chaque fil avec un câble de méme couleur. Sur la photo il reste à refermer la dérivation.
|
 |
La dérivation verte ira sur l'interrupteur borne VL et le bleu en VR.
Pour faire clignoter l'ampoule du bouton de l'interrupteur la borne 31 doit étre à la masse. Au montage final ce ne sera pas été nécessaire car le boîtier l'est
|
- Test -A ce stade je rebranche la batterie pour faire un test. Merveille ça fonctionne mais une surprise m'attend !
|
 |
|
La fréquence des feux de détresse est plus rapide que celle d'un clignotant.
|
|
|
- Mise en place -J'enfiche fermement les cosses. A l'aide de collier serre câble je solidarise l'ensemble des câbles électriques.
|
 |
|
Le plus simple est de faire passer le faisceau de câbles sous le volant en le repoussant sur le rebord du tableau de bord.
|
 |
|
J'installe l'interrupteur derriére le cache, je visse l'écrou-bague puis la tige de commande.
|
 |
|
Magnifique ! ça raccorde parfaitement avec le look de l'Amazon.
|